• <samp id="cq6kg"></samp>
  • <ul id="cq6kg"></ul>
    <cite id="cq6kg"><nav id="cq6kg"></nav></cite>
  • <samp id="cq6kg"></samp>
    <strike id="cq6kg"></strike>
  • <blockquote id="cq6kg"><tfoot id="cq6kg"></tfoot></blockquote>
    <samp id="cq6kg"></samp>
    GV立式三相高速比縮框型(剎車)減速馬達齒輪減速電機

    GV立式三相高速比縮框型(剎車)減速馬達

    出 力 軸:18-50
    功率范圍:100W~4000W
    速比范圍:3~6000
    安裝形式:臥式/立式

    GV立式三相高速比縮框型(剎車)減速馬達
    立即咨詢

    聯(lián)系熱線

    190-5756-1776

    產品介紹

    性能特點

    通過CCC、CE、 ISO9001認證,工廠擁有全套檢測設備和試驗設備,高精度設備保證產品加 工精度。減速機產品效率高達98%;承載能力大,全封閉不漏油、體積小質 量輕、無噪音壽命長!安裝靈活。

    選型參數

    6.1.jpg

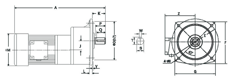
    產品圖紙

    GV立式三相高速比縮框型(剎車)減速馬達齒輪減速電機圖紙

    截屏,微信識別二維碼

    微信號:19057561776

    (點擊微信號復制,添加好友)

  • <samp id="cq6kg"></samp>
  • <ul id="cq6kg"></ul>
    <cite id="cq6kg"><nav id="cq6kg"></nav></cite>
  • <samp id="cq6kg"></samp>
    <strike id="cq6kg"></strike>
  • <blockquote id="cq6kg"><tfoot id="cq6kg"></tfoot></blockquote>
    <samp id="cq6kg"></samp>